Modérateurs : Aer, Equipe forum MATA-WEB
Jeux vidéo : Amis des pixels ou de la Next generation bienvenues !

Sch@dows a écrit:Après, vu ta config, tu dois avoir moyen de changer ta carte graphique sans changé autre chose que l'alim.
Ta carte graphique ne délivrera pas forcement tout son potentiel (que ce soit parce que ta carte mère est en PCI Express 2.0 alors que la plupart des carte sont en 3.0, ou parce que le CPU ne l'alimente pas suffisamment rapidement, mais tu remarquera tout de même un gain sympathique.


Adnae a écrit:Semblerait que dell ait voulu empêcher les gens de changer du matériel dans leurs ordis ><
Adnae a écrit:Et les cartes mères compatibles avec un i7-860 ne se vendent plus?

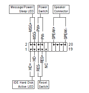
Afloplouf a écrit:Attends, c'est quoi ton input Power 2. L'alimentation d'une carte ATX est standard normalement : la prise ATX 24 broches (la plus grosse) et la prise processeur qui fait soit 4 soit 8 broches. Sur une alim ATX tu as une prise 8 broches que tu peux scinder en 2x4 (c'est prédécoupé donc tu peux le séparer à la main, va pas chercher une cutter). Attention à ne pas confondre avec la prise PCI Express qui fait aussi 8 (6+2) broches !

Sch@dows a écrit:pas une pâte thermique premier prix n__n
Perso, j'ai toujours un flacon qui vient avec mes ventirad zalman et c'est de la bonne qualité. Mais du coup je ne sais pas quelle marque te conseillé en particulier
Sch@dows a écrit:pour la perte d'affichage au démarrage, c'est probablement lié à ta nouvelle carte graphique

Je voulais dire par là que c'était probablement normal. A quel moment cela intervient ? Entre le chargement de Windows et l'affichage du bureau ?Adnae a écrit:Sch@dows a écrit:pour la perte d'affichage au démarrage, c'est probablement lié à ta nouvelle carte graphique
Sans doute, ça n'a pas l'air bien grave puisque je n'ai aucun problème pour le moment et wow tourne très très bien

Sch@dows a écrit:Je voulais dire par là que c'était probablement normal. A quel moment cela intervient ? Entre le chargement de Windows et l'affichage du bureau ?

Utilisateurs parcourant ce forum: Aucun utilisateur enregistré et 5 invités